Beautiful curved round edge design stainless canopy sparkle your kitchen.
Comes with 5 min Auto delay off feature, LED dual level lighting
Electronic touch control, 3 speed selection
● Specifications
| MODEL | PCC-E30AS |
| SIZE (INCH) | 30" |
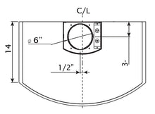
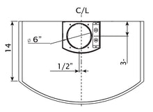
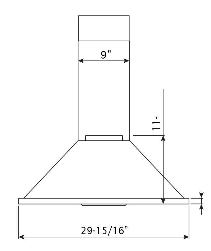
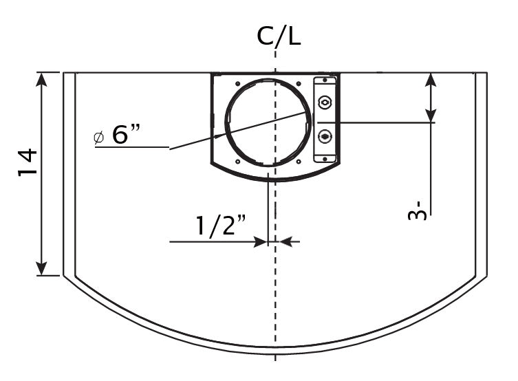
| DIMENTION (INCH) | W29-15/16" x H29" x D19-1/2" |
| CONTROL | Electronic touch control |
| SPEED LEVEL | 3 Speeds |
| LIGHTING | 6W LED X 2, Dual Level |
| FEATURE | 5-min automatic delay off |
| AIR FLOW | Up to 750 CFM |
| DUCT SIZE | 6" Round (Vertical) |
| NET WEIGHT | 40lb |
| VOLTAGE | 120V / 60Hz |






